
Detaljeret produktbeskrivelse
| Fordel: | Høj hastighed | Mærkehastighed: | 60-200 stk / min |
|---|---|---|---|
| Fungere: | Klæbemærkatmærkning | Materiale: | Rustfrit stål |
| Flaske type: | Automatisk rund flaskeetiketterkrukke | Ansøgning: | For alle slags runde containere |
| Plc-mærke: | MITSUBISHI (Japan) | Servomærkningsmotor: | DELTA (Taiwan) |
rødvin mærkning maskine glas vinflaske mærkning maskine, PLC kontrolsystem MITSUBISHI mærke mærkning maskine
Funktioner:
1. Drift: PLC-styresystem gør mærkning af maskinen let at betjene
2. Materiale: Mærkemaskinens hoveddel er lavet af SUS304 rustfrit stål
3. Konfiguration: Vores mærkningsmaskiner vedtager kendte japanske, tyske, amerikanske, koreanske eller taiwanske mærke dele
4. Fleksibilitet: Klienten kan vælge at tilføje printer og kodemaskine; kan vælge at oprette forbindelse til converyer eller ej.
Tekniske parametre:
| Navn | Automatisk rund vinflaske til højhastigheds ærme krympe rund flaske mærkning maskine |
| Mærkehastighed | 60-350stk / min |
| Objektets højde | 30-350mm |
| Tykkelse af objekt | 20-120 mm |
| Mærkets højde | 5-180 mm |
| Mærkets længde | 25-300 mm |
| Mærkevalse indvendig diameter | 76 mm |
| Mærkevalse uden for diameter | 420 mm |
| Nøjagtighed ved mærkning | ± 1 mm |
| Strømforsyning | 220V 50 / 60HZ 3,5KW |
| Gasforbrug af printer | 5 kg / m2 (hvis tilføj kodemaskine) |
| Mærkemaskinens størrelse | 2800 (L) × 1650 (B) × 1500 (H) mm |
| Vægt på etiketteringsmaskine | 180 kg |
Konfiguration
| Ingen. | En del | mærke | antal |
| 1 | PLC | MITSUBISHI (Japan) | 1 |
| 2 | Hovedkonverter | DANFOSS (Danmark) | 1 |
| 4 | HMI | WEINVIEW (Taiwan) | 1 |
| 5 | Servomærkningsmotor | DELTA (Taiwan) | 1 |
| 6 | Servomærkning motor driver | DELTA (Taiwan) | 1 |
| 7 | Transportmotor | HY (Taiwan) | 1 |
| 8 | Transportbånd gearkasse | HY (Taiwan) | 1 |
| 9 | Opdelende flaskemotor | GPG (Taiwan) | 1 |
| 10 | Opdelende flaske motor gearkasse | GPG (Taiwan) | 1 |
| 11 | Flaske, der adskiller motorhastighedsregulatoren | GPG (Taiwan) | 1 |
| 12 | Talte motor | GPG (Taiwan) | 1 |
| 13 | Eger motor gearkasse | GPG (Taiwan) | 1 |
| 14 | objekt opdager magisk øje | OMRON (Japan) | 1 |
| 15 | optisk fiber | OMRON (Japan) | 1 |
Maskindetalje:

32 vigtigste maskindele til mærkning

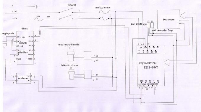
Kredsløbsdiagram

FAQ:
1.-mærke får bobler
Grunde:
① aftrækning af bord er ikke godt / ikke fladt;
② plovbræt er ikke godt / ikke fladt;
③ mærkningsoutputtet er for hurtigt, eller samlebåndshastigheden er for lav;
④ etiketten trækkes for løs
Løsninger:
① skift en flad afskalning af bord;
② skift et fladt plovbræt;
③ sænk mærkeudgangshastigheden eller øg samlebåndshastigheden;
④ slag korrekt på etiketbæltet.
Tag: industriel mærkning maskine, glas flaske mærkning maskine









